「ホビオ」一覧
ホビオのリコール
ブレーキランプまわりのリコールだそうです。
■アクティ・バン、VAMOS Hobioのリコール(平成18年6月29日届出)
http://www.honda.co.jp/recall/060629_1688.html
■アクティ・バン、VAMOS Hobioのリコール(平成18年6月29日届出)
http://www.honda.co.jp/recall/060629_1688.html
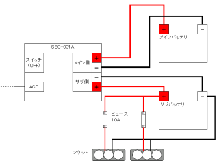
サブバッテリーチャージャーSBC-001A取り付けまとめ
配線を整理・延長して、サブバッテリーチャージャーSBC-001Aとサブバッテリを助手席下に移動しました。これですっきりカンペキ!サブバッテリまとめ編です。
しかし天気が良すぎて暑かった~。熱中症になりそうでした。
続きを読む





